电话:010-51298264/010-51294858/微信:13021964782
传真:86-010-57553286
地址:北京市门头沟区双峪环岛东南角熙旺中心(东方巴黎时代广场)B座2137室
邮编:100027
邮箱:2577341770@qq.com
网址:http://www.bjyodp.com/

产品展示

  您当前的位置:首页 » 产品展示 » 专用仪器仪表 » DP-3T 轮幅式拉压力传感器
DP-3T 轮幅式拉压力传感器
产品名称:DP-3T 轮幅式拉压力传感器
产品型号:DP-3T
品牌:亚欧
产品数量:
产品单价:面议
日期:2024-09-23
DP-3T 轮幅式拉压力传感器的详细资料

轮幅式拉压力传感器 型号:DP-3T

轮幅式拉压力传感器 点与用途
广泛用于工业系统中力的测量和天车秤、轨道衡、料斗秤等各种称重、测力的工业自动化测量控制系统。

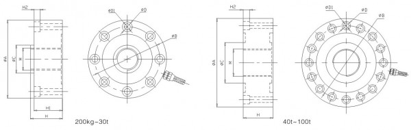
轮幅式拉压力传感器 量程

量程

ΦA

ΦB

ΦC

M

H

H1

H2

ΦD

ΦC

200-700kg

88

72

22

M12×1.75

34

31

7.2

8-Φ11

8-Φ7

1-5t

105

89

32

M16×1.5

37

34

7.2

8-Φ11

8-Φ7

10-20t

120.6

101.8

39

M32×1.5

53.5

41

10.5

8-Φ14

8-Φ9

30t

141

116.8

50.4

M40×1.5

57.2

50.8

11

8-Φ18

8-Φ11

 

量程

ΦA

ΦB

ΦC

M

H

H2

ΦD

ΦD1

40-60t

208

174

95

M64×3

70

15

16-Φ20

16-Φ13

80-100t

280

230

120

M76×3

90

20

16-Φ30

16-Φ17

技术参数

参数

单位

技术指标

参数

单位

技术指标

灵敏度

mV/V

2.0±0.05

灵敏度温度系数

≤%F·S/10℃

±0.03

非线性

≤%F·S

±0.03

工作温度范围

-20℃~+80℃

滞后

≤%F·S

±0.03

输入电阻

Ω

750±20Ω

重复性

≤%F·S

±0.03

输出电阻

Ω

700±5Ω

蠕变

≤%F·S/30min

±0.03

过载

≤%F·S

150% F·S

零点输出

≤%F·S

±1

缘电阻

≥5000MΩ(50VDC)

零点温度系数

≤%F·S/10℃

±0.03

推荐激励电压

V

10V-15V

 

 


相关产品

DP-J210 表面粗糙度仪
DP-J210表面粗糙度仪是依托集成智能传感技术,用手机端App代替主机形成的智能检测产品,不同智能传感器连入手机后,通过手机App即可实现粗糙度检测仪器的功能,实现了手机与智能传感器的流畅连接,可数据存储,数据
DP-R300+ 粗糙度波纹度仪
DP-R300+粗糙度波纹度仪用于描述加工后零件的表面结构,适用于车间检定站、实验室、计量室等环境的检测,也适用于现场、计量室计量。
DP-JDG 数显药理生理实验多用仪
数显药理生理实验多用仪概述药理生理实验多用仪是一种综合性多用实验仪器,它由数字式集成电路对振荡频率进行逐次分频、产生各种不同的标准频率和时间间隔,
DP-90 新品毫瓦级超声功率计/B超检定装置/毫瓦功率计
新品毫瓦级超声功率计/B超检定装置/毫瓦功率计概述DP-90型毫瓦级超声功率计是一种超声微功率测量仪器。本仪器是毫瓦级超声功率计量标准器具。主要用于计量检定A型、B型、M型、多普勒型各种超声诊断仪超声输出功率的
DP31045 砷元素分析仪 煤中砷检测仪
砷元素分析仪 煤中砷检测仪 型号:DP31045砷元素分析仪采用光源,决了各种杂光干扰LCD显示器,人性化显示界面,操作简单,具有储存/防水功能,广泛适用于煤炭和焦炭的测定。
DP31043 自动金相磨抛机
自动金相磨抛机技术参数机体形式 台式单盘夹持数量 8个加压方式 气动(单点/中心加压)单点压力 (1-40N)X4操作方式 自动

在线留言

主题 *
内容 *
公司名
联系人 *
联系电话 *
电子邮箱
QQ
阿里旺旺
验证问题 * 11*1等于多少?答案:11
 

电话:010-51298264
电话:010-51294858
手机:15313602957
手机:18210605334